- 產品介紹
- 產品參數
|
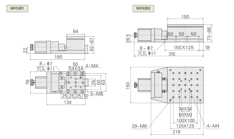
型號 |
MVS301 |
MVS302 |
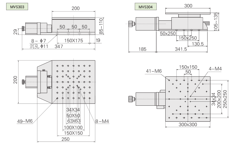
MVS303 |
MVS304 |
|
行程(mm) |
5 |
13 |
25 |
30 |
|
臺面尺寸(mm) |
64×50 |
150×150 |
200×200 |
300x300 |
|
傳動比 |
2:1 |
|||
|
導程(mm) |
0.5 |
1.5 |
1.5 |
1 |
|
分辨率 (mm) |
0.00002 |
0.00006 |
0.00006 |
0.00004 |
|
重復定位精度(mm) |
0.003 |
|||
|
垂直方向極限速度(mm/s) |
6.25 |
12 |
18 |
12 |
|
步進電機(1.8°) |
42步進電機 |
56步進電機 |
86步進電機 |
|
|
中心負載(kg) |
10 |
30 |
40 |
80 |
|
自重(kg) |
1 |
5.5 |
8 |
16.5 |
















