- 產品介紹
- 產品參數
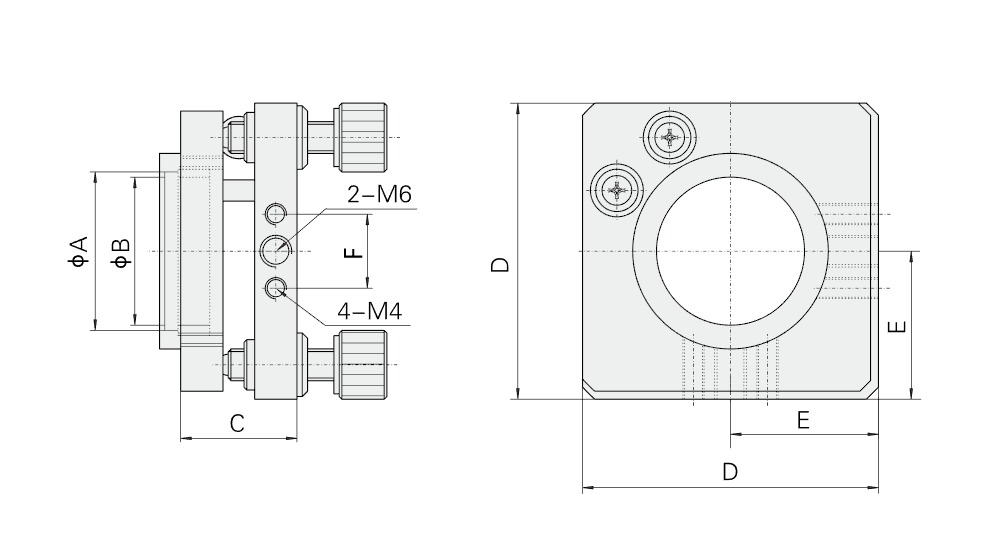
|
型號 |
OM111 |
OM112 |
OM113 |
OM113B |
OM114 |
OM115 |
OM116 |
OM117 |
OM118 |
|
ΦA夾持直徑 |
15 |
20 |
25 |
25.4 |
30 |
40 |
50 |
60 |
76.2 |
|
B |
13 |
18 |
23 |
23 |
28 |
38 |
47 |
58 |
74 |
|
C |
22 |
22 |
22 |
22 |
22 |
28 |
28 |
30 |
30 |
|
D |
56 |
56 |
56 |
56 |
56 |
70 |
70 |
99 |
99 |
|
E |
28 |
28 |
28 |
28 |
28 |
36 |
36 |
54 |
54 |
|
F |
14 |
20 |
|||||||
|
調整范圍 |
±2.5° |
||||||||
|
夾持厚度 |
2.5-5 |
2-10 |
|||||||
|
自重(kg) |
0.15 |
0.15 |
0.15 |
0.15 |
0.15 |
0.20 |
0.20 |
0.25 |
0.26 |








